隨著《中國制造2025》戰略的提出,我國制造業進入了一次產業轉型升級,為了2025年邁入制造強國的行列,對我國的高端制造業提出了要求,材料的選擇對于高端制造業至關重要。高端制造業所生產的零部件的工況日趨復雜,零部件在高溫條件下工作是一種常見的工況,為了保證零部件的高溫性能,在高溫條件下的材料力學性能測試不可或缺。
高溫劃痕試驗儀可以在高溫的條件下對金屬或陶瓷材料的試樣進行不同深度的劃痕試驗,采集相關的試驗數據進行計算可得到被測材料的高溫硬度等高溫力學參數,可用于燃氣機組熱端部件材料性能檢測、航空發動機熱端部件材料性能檢測等領域,本設備的購置對于科研單位提高科研能力、達到科研目標有著不可替代的作用。
一、應用范圍:
由于高端制造業所生產的零部件所服役的工況復雜,零部件所用的材料(如金屬、陶瓷、瑪瑙等)隨著工況的變化材料的力學性能隨之發生改變,尤其是處在高溫條件下作業的零部件,不同的溫度對于材料的力學性能有著顯著的影響。我們公司在調研常溫劃痕儀的基礎上,自主設計高溫劃痕試驗系統,本系統解決了常溫劃痕儀的諸多不足,并且在此之上增設了高溫系統,模擬不同溫度下的工作環境,通過劃痕試驗法,可以使得試驗結果更貼近實際情況更具有參考價值。
二、劃痕試驗機系統
劃痕試驗機系統由大理石龍門、大理石平臺、加強筋、平臺支座、Z軸方向運動平臺、X軸方向運動平臺、Y軸方向手調運動平臺、高度轉接板、測力儀組成。
X軸方向運動平臺
1-頂板 2-滑塊 3-定子 4-大理石底座 5-動子
6-導軌 7-光柵尺 8-排線拖鏈 9-緩沖環 10-定子固定座
X軸方向運動平臺參數:
|
行程 |
150 |
㎜ |
|
峰值推力 |
200 |
N |
|
額定推力 |
150 |
N |
|
額定電流 |
3 |
A |
|
最高速度 |
4 |
m/s |
|
加速度 |
0.9g |
m/s2 |
|
減速度 |
0.9g |
m/s2 |
|
編碼器分辨率 |
0.05 |
μm |
Z軸方向運動平臺
1-頂板 2-擋圈 3-滑塊 4-擋塊 5-大理石底座
6-導軌 7-動子 8-抱閘 9-排線拖鏈 10-光柵尺
Z軸方向運動平臺參數:
|
行程 |
100 |
㎜ |
|
峰值推力 |
400 |
N |
|
額定推力 |
250 |
N |
|
額定電流 |
3 |
A |
|
最高速度 |
2.5 |
m/s |
|
加速度 |
0.9g |
m/s2 |
|
減速度 |
0.9g |
m/s2 |
|
編碼器分辨率 |
0.05 |
μm |
Y軸方向手調運動平臺
1頂板 2-彈簧 3-螺釘 4-螺釘座
5導軌 6-滑塊 7-支撐板 8-微分頭 9-微分頭支座
微分頭性能參數:
|
型號 |
測量范圍 |
精度 |
軸套外徑 |
軸套 |
測量面 |
分度特征 |
|
148-120 |
0-13μm |
2μm |
9.5㎜ |
帶有鎖緊螺母 |
平面 |
標注 |
導軌滑塊性能參數:
|
型號 |
滑軌的國定螺栓尺寸(㎜) |
基本動額定負荷(kgf) |
基本靜額定負載(kgf) |
容許靜力矩 |
重量 |
|||
|
|
|
|
滑軌(g) |
滑塊(kg/m) |
||||
|
MGW12H |
M4*8 |
400 |
570 |
7.17 |
2.83 |
2.83 |
71 |
1.49 |
三、高溫系統:
加熱元件:采用硅鉬棒加熱,其特點是溫度穩定而過沖小;
高溫爐:爐體隔熱爐襯采用多晶莫來石陶瓷纖維,具有隔熱效果好、美觀、使用壽命長和安裝維修方便的特點;不銹鋼爐體內側噴涂熱障涂層,保障最佳隔熱效果;
加熱臺:采用六方氮化硼,其特點是耐高溫性能好;
加熱開關:加熱系統采用開關電源(12V200A),雖然與傳統的變壓器相比,其單
臺造價較高,但其工作穩定性和可靠性,以及自身的體積重量等因素均優于傳統的可控硅電源,而且電能利用率高及對周邊無電磁信號干擾等優點;同時,開關電源帶有浮地功能,最大限度保證使用人員的人身安全。
水冷保護:采用恒控溫冷水機,爐體外壁采用雙層不銹鋼,中空通流動水,最高控溫溫度40°C 。恒控溫式冷水機不僅可以保證爐體外表面保持恒溫,還能起到穩定和微調爐溫的作用,使爐內的溫度更加精準,有利于提高試驗精度。
高溫爐參數:
|
溫度范圍 |
常溫~1000℃(1200℃可選)(試樣溫度) |
|
升溫速度 |
50℃/min |
|
溫顯精度 |
±1℃ |
|
爐膛尺寸 |
根據試樣大小配置,試樣最大13mm |
|
溫度設定 |
任意設定目標溫度 |
|
熱電偶 |
PtRh-Pt (Type S) ,熱響應時間<2s |
|
加熱元件 |
硅鉬棒 |
軟件系統由工作站、微型可編程控制器、電機驅動器、X軸電機、Z軸電機、實驗室多通道電荷放大器、測力儀和專用軟件組成。

實驗室多通道電荷放大器 數據采集卡
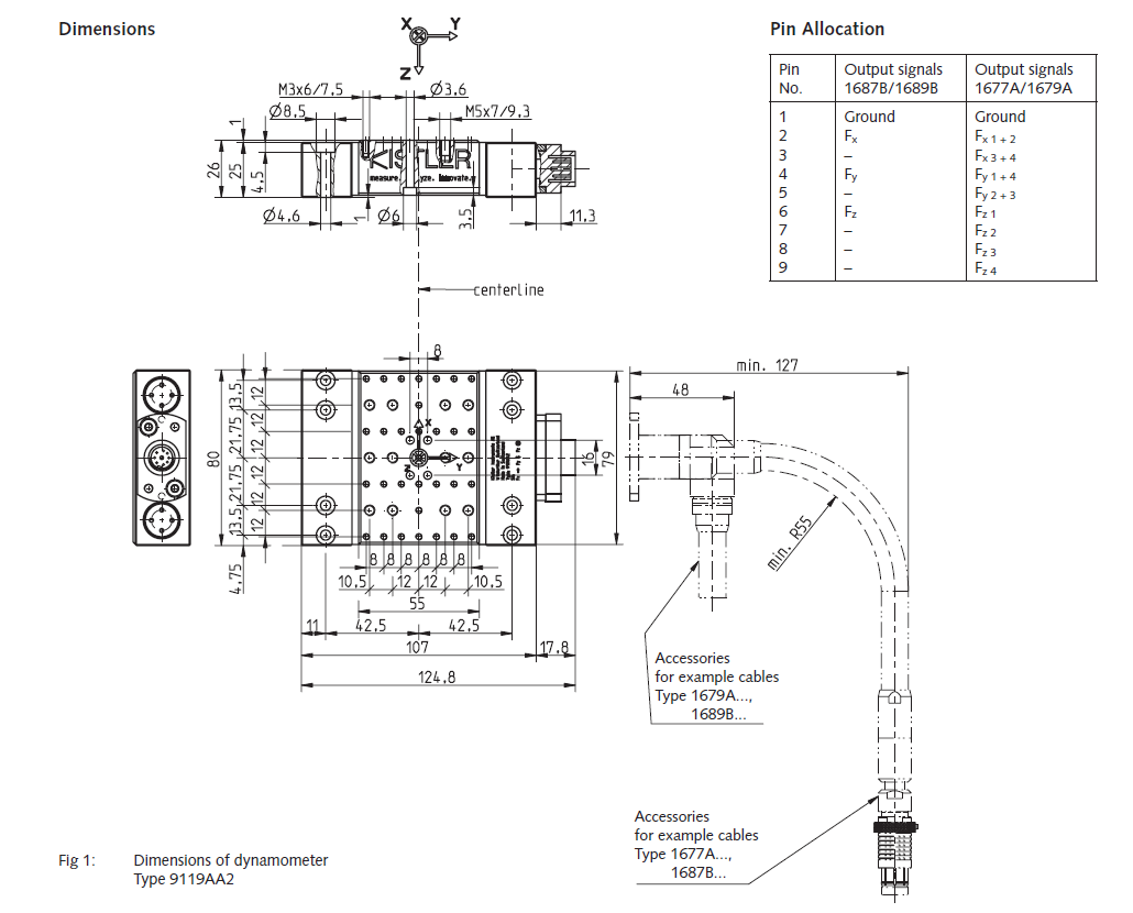
測力儀
測力儀參數:
|
參數名稱 |
參數值 |
|
|
-26 |
|
|
-13 |
|
最小測量值(N) |
0.002 |
|
最小測量范圍(KN) |
-4~4 |
|
最大承受力(KN) |
-4.5~4.5 |
|
尺寸(㎜*㎜) |
55*80 |
五、系統使用簡介:
高溫劃痕試驗系統,通過高溫爐參數設置界面設置試驗所需溫度模擬高溫環境,通過使用專用軟件(軟件需使用WIN7 32位系統運行)使得X、Z軸運動平臺的兩軸聯動實現將劃頭裝置深入高溫爐中與夾持的試樣接觸,通過變深度控制進行持續的力加載,在力加載的過程中由于力的相互作用,使得Z軸方向的進給深度與預設深度存在誤差,軟件將調用被測材料的受力-位移補償曲線對誤差進行補償,從而保證試驗的準確性,完成一次劃痕試驗后,可通過Y軸手調運動平臺進行Y軸方向的微調,可以使同一試樣在同一溫度下進行多次劃痕試驗,在減少試驗誤差同時減少昂貴材料的制樣成本。